Dobrodošli v GEMA Shop - vašem strokovnjaku za ogrevalno, solarno in sanitarno tehniko že od leta 1991. Svetujemo vam osebno in nudimo tehnične rešitve, ki resnično delujejo.
  • hitro pošiljanje

  • Brezplačna pomoč in svetovanje

  • Odprto 7 dni v tednu

Anhaltinerring 17, 39439 Güsten

Caleffi  |  SKU: CUV34100

Razbremenilni ventil diferenčnega tlaka

Ime: CALEFFI S.p.a.

Naslov: S.R. 229, n. 25, 28010 Fontaneto d'Agogna (NO) Italy

E-pošta: info@caleffi.com

Spletna stran: https://www.caleffi.com/de-de

Evropski proizvajalec: Da

Normalna cena 30,60 €
dDV vključen. Pošiljka bo zaračunano ob blagajni.


Dostava in pošiljanje

Čas obdelave je običajno 1 delovni dan. Dostava paketov traja 1–3 delovne dni. Za špedicijo dostava traja 3–5 delovnih dni. Dobavni roki zunaj Nemčije se razlikujejo.

Beschreibung

Prelivni ventil diferencialnega tlaka – nastavljiv s skalo

Tehnični podatki

Najvišji obratovalni tlak: 10 barov. Povprečno temperaturno območje: 0–100 °C. Najvišja vsebnost glikola: 30 %. Medij: Voda in raztopine glikola.

funkcija

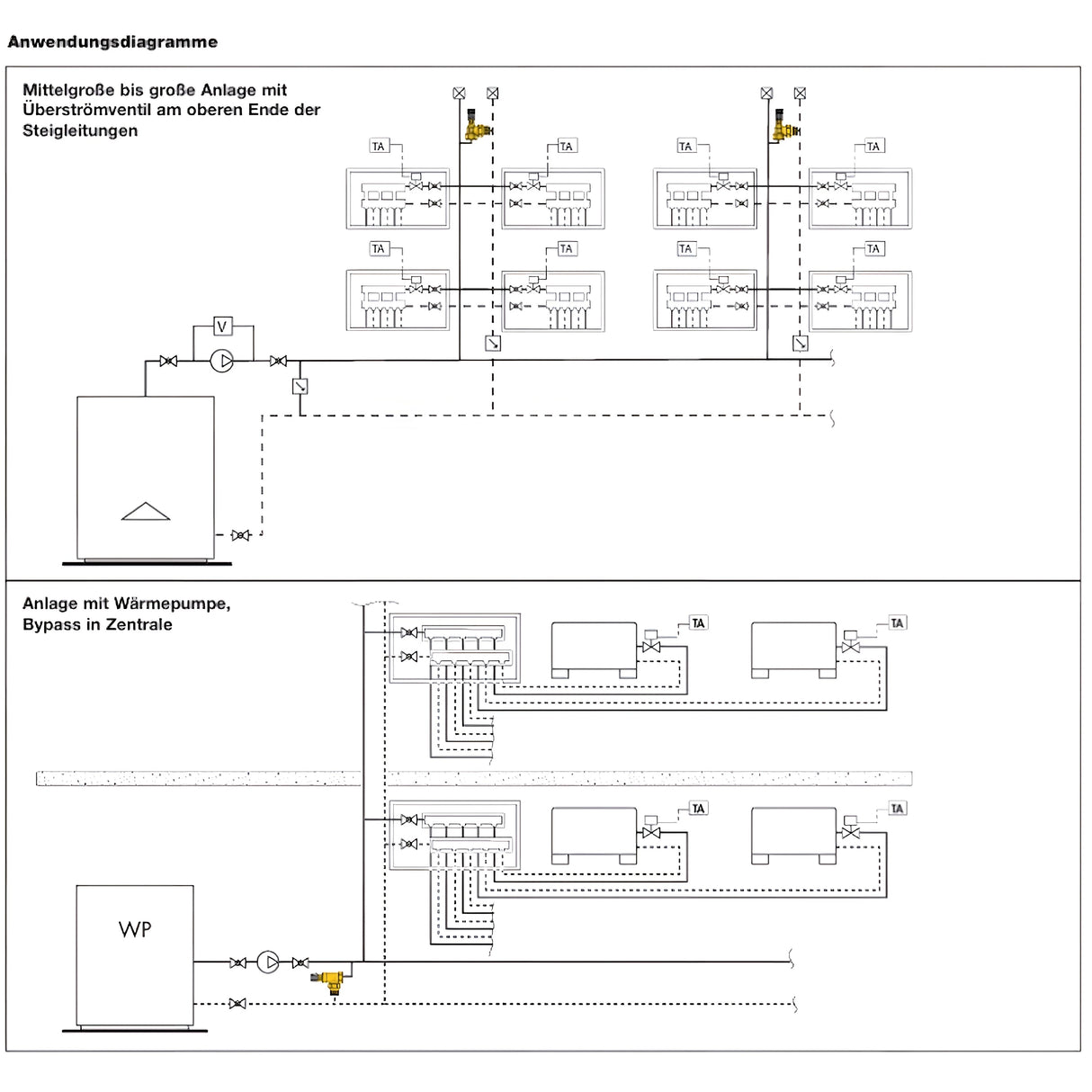
Obvodni ventil diferencialnega tlaka zagotavlja nadzorovano vračanje pretokov v sistemih s spremenljivimi stanji porabnikov. Omejuje diferencialni tlak, ki ga ustvarja črpalka, in vrača presežno prostornino sorazmerno s številom zaprtih porabnikov.

Predvsem v sistemih s toplotnimi črpalkami ali obtočnimi črpalkami z regulacijo hitrosti ventil zagotavlja potreben minimalni pretok, potreben za pravilno delovanje stroja in preprečevanje okvar ter pregrevanja.

Prilagodljivost in delovanje

Brezstopenjska nastavitev prek vidne skale omogoča natančno prilagoditev izračunanim tlačnim pogojem sistema. Med zagonom je treba nastavitev izvesti na podlagi karakteristične krivulje črpalke in želene omejitve diferenčnega tlaka.

Natančna nastavitev med delovanjem omogoča optimizacijo delovanja sistema pri spreminjajočih se obremenitvah; beleženje nastavitev za kasnejše kontrolne meritve.

Prednosti

Zaščita črpalke in krmilnih komponent z omejevanjem maksimalnega diferenčnega tlaka, zmanjšanjem ravni hrupa in daljšo življenjsko dobo sistema. Stabilnejši hidravlični pogoji izboljšajo delovanje in učinkovitost krmiljenja.

Navodila za montažo in vzdrževanje

Ventil mora biti nameščen na ustreznem mestu v povratnem vodu, kjer je dostopen za pregled in nastavitev. Sito pred ventilom poveča zanesljivost delovanja in zmanjša obrabo.

Priporočljivi so redni vizualni in funkcionalni pregledi ter preverjanje vsebnosti glikola in tesnil. V primeru zmrzali je treba sprejeti ustrezne zaščitne ukrepe.

Področja uporabe

Primerno za sisteme ogrevanja, hlajenja in toplotnih črpalk s spremenljivimi pretoki. Posebej uporabno v sistemih z več porabniki, aktuatorji ali črpalkami z nadzorom hitrosti za zagotavljanje minimalnega pretoka in omejitve tlaka.

Tehnični podatki

  • Najvišji delovni tlak: 10 barov
  • Srednje temperaturno območje: 0–100 °C
  • Največja vsebnost glikola: 30 %
  • Sredstva: Voda, raztopine glikola
  • Nastavitev: 10–60 kPa (1–6 m w.s.)
  • Povezave:
    • 3/4” notranji navoj (ISO 228-1) za zunanji navoj z vijačno povezavo

plačilo & Varnost

Možnosti plačila

  • American Express
  • Apple Pay
  • Bancontact
  • BLIK
  • EPS
  • Google Pay
  • iDEAL
  • Klarna
  • Maestro
  • Mastercard
  • MobilePay
  • PayPal
  • Przelewy24
  • Shop Pay
  • Union Pay
  • Visa

Vaši podatki o plačilu so varno obdelani. Podatkov o vaši kreditni kartici ne shranjujemo in do njih ne dostopamo.

Kontaktirajte nas