Sveiki atvykę į GEMA Shop – jūsų šildymo, saulės ir sanitarinių technologijų ekspertas nuo 1991 m. Konsultuojame asmeniškai ir siūlome tikrai veikiančius techninius sprendimus.
  • greitas pristatymas

  • Nemokama pagalba ir patarimai

  • Atidaryta 7 dienas per savaitę

Anhaltinerring 17, 39439 Güsten

Caleffi  |  SKU: CUV34100

Diferencinio slėgio mažinimo vožtuvas

Vardas: CALEFFI S.p.a.

Adresas: S.R. 229, n. 25, 28010 Fontaneto d'Agogna (NO) Italy

El. paštas: info@caleffi.com

Svetainė: https://www.caleffi.com/de-de

Europos gamintojas: Taip

Normali kaina 31,11 €
su PVM. Siunta bus apmokestinta atsiskaitymo metu.


Pristatymas ir siuntimas

Apdorojimo laikas paprastai yra 1 darbo diena. Siuntinių pristatymas trunka 1–3 darbo dienas. Krovinių gabenimo atveju pristatymas trunka 3–5 darbo dienas. Pristatymo laikas už Vokietijos ribų gali skirtis.

Beschreibung

Diferencinio slėgio perpildymo vožtuvas – reguliuojamas su skale

Techniniai duomenys

Didžiausias darbinis slėgis: 10 bar. Vidutinė temperatūros sritis: 0–100 °C. Didžiausias glikolio kiekis: 30 %. Terpė: vanduo ir glikolio tirpalai.

funkcija

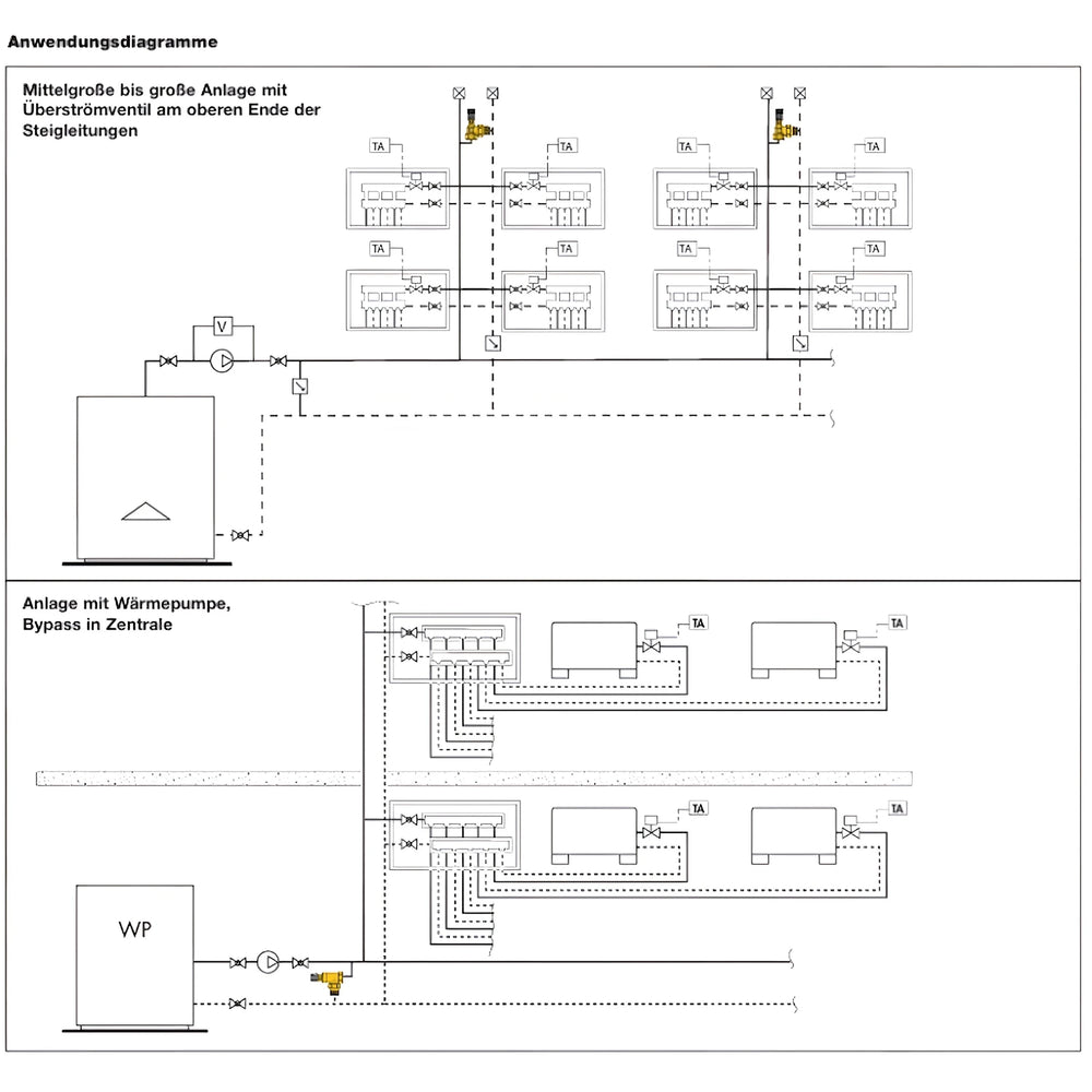
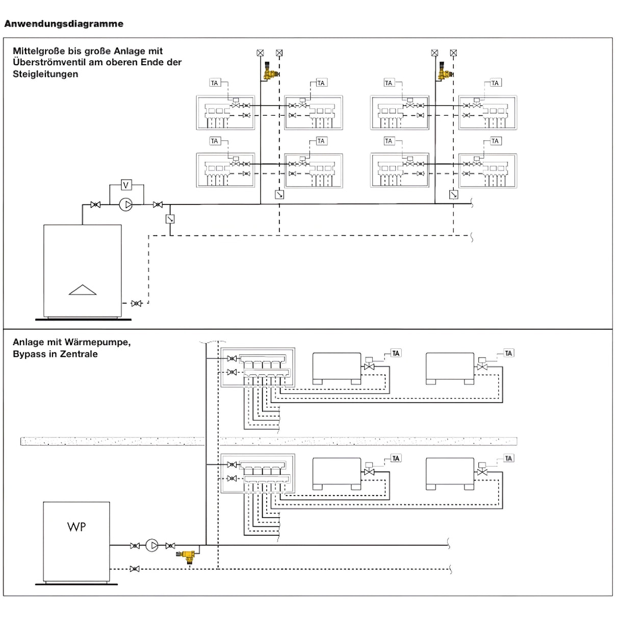
Slėgio skirtumo apėjimo vožtuvas užtikrina kontroliuojamą srauto grąžinimą sistemose su svyruojančiomis vartotojų būsenomis. Jis riboja siurblio sukuriamą slėgio skirtumą ir grąžina perteklinį tūrį proporcingai uždarytų vartotojų skaičiui.

Ypač sistemose su šilumos siurbliais arba greičio reguliuojamais cirkuliaciniais siurbliais vožtuvas užtikrina reikiamą minimalų srautą, reikalingą tinkamam įrenginio veikimui ir gedimų bei perkaitimo prevencijai.

Reguliavimas ir valdymas

Tolygus reguliavimas matomoje skalėje leidžia tiksliai prisitaikyti prie apskaičiuotų sistemos slėgio sąlygų. Paleidimo metu nustatymas turėtų būti atliekamas pagal siurblio charakteristikų kreivę ir pageidaujamą slėgio skirtumo ribą.

Tikslus reguliavimas veikimo metu leidžia optimizuoti sistemos elgseną kintant apkrovoms; registruojami nustatymai vėlesniems kontroliniams matavimams.

Privalumai

Siurblio ir valdymo komponentų apsauga ribojant maksimalų slėgio skirtumą, sumažinant triukšmo lygį ir pailginant sistemos tarnavimo laiką. Stabilesnės hidraulinės sąlygos pagerina valdymo elgseną ir efektyvumą.

Surinkimo ir priežiūros instrukcijos

Vožtuvas turi būti sumontuotas tinkamoje vietoje grįžtamojoje linijoje, kad jį būtų galima patikrinti ir reguliuoti. Prieš vožtuvą esantis filtras padidina eksploatavimo patikimumą ir sumažina susidėvėjimą.

Rekomenduojama reguliariai atlikti vizualinę ir funkcinę apžiūrą, taip pat glikolio kiekio ir sandariklių patikrą. Būtina imtis tinkamų apsaugos priemonių užšalimo atveju.

Taikymo sritys

Tinka šildymo, vėsinimo ir šilumos siurblių sistemoms su kintamu srautu. Ypač naudinga sistemose su keliais vartotojais, pavaromis arba greičio reguliuojamais siurbliais, siekiant užtikrinti minimalų srauto ir slėgio ribojimą.

Techniniai duomenys

  • Maksimalus darbinis slėgis: 10 barų
  • Terpės temperatūros diapazonas: 0–100 °C
  • Didžiausias glikolio kiekis: 30 %
  • Medžiagos: vanduo, glikolio tirpalai
  • Nustatymas: 10–60 kPa (1–6 m w.s.)
  • Jungtys:
    • 3/4 colio vidinis sriegis (ISO 228-1) išoriniam sriegiui su srieginiu prijungimu

mokėjimas & Saugumas

Mokėjimo galimybės

  • American Express
  • Apple Pay
  • Bancontact
  • BLIK
  • EPS
  • Google Pay
  • iDEAL
  • Klarna
  • Maestro
  • Mastercard
  • MobilePay
  • PayPal
  • Przelewy24
  • Shop Pay
  • Union Pay
  • Visa

Jūsų mokėjimo informacija apdorojama saugiai. Mes nesaugome ir nepasiekiame jūsų kredito kortelės informacijos.

Susisiekite su mumis