Tālrunis +49(0)39262 878720

E-pasts: gemashop@gema-net.de

WhatsApp: +49(0)17660429928

  • ātra piegāde

  • Bezmaksas palīdzība un padoms

  • Atgriešana bez problēmām

  • Atvērts 7 dienas nedēļā

Anhaltinerring 17, 39439 Güsten

Atvērts no pirmdienas līdz ceturtdienai no 7:00 līdz 17:00; Piektdien no 7:00 līdz 16:00; Sestdien no 9:00 līdz 12:00

Caleffi  |  SKU: KSG1

Misiņa spiediena kontrolieris ar manometru katlu piederumu sildīšanas sistēmām

Vārds: CALEFFI S.p.a.

Adrese: S.R. 229, n. 25, 28010 Fontaneto d'Agogna (NO) Italy

E-pasts: info@caleffi.com

Tīmekļa vietne: https://www.caleffi.com/de-de

Eiropas ražotājs: Jā

Normāla cena 37,13 €
pVN iekļauts. Sūtījums tiks iekasēta norēķinoties.


Piegāde un nosūtīšana

Apstrādes laiks parasti ir 1 darba diena. Sūtījumu piegāde ir 1–3 darba dienas. Kravu pārvadājumu piegādes laiks ir 3–5 darba dienas. Piegādes laiks ārpus Vācijas atšķiras.

Beschreibung

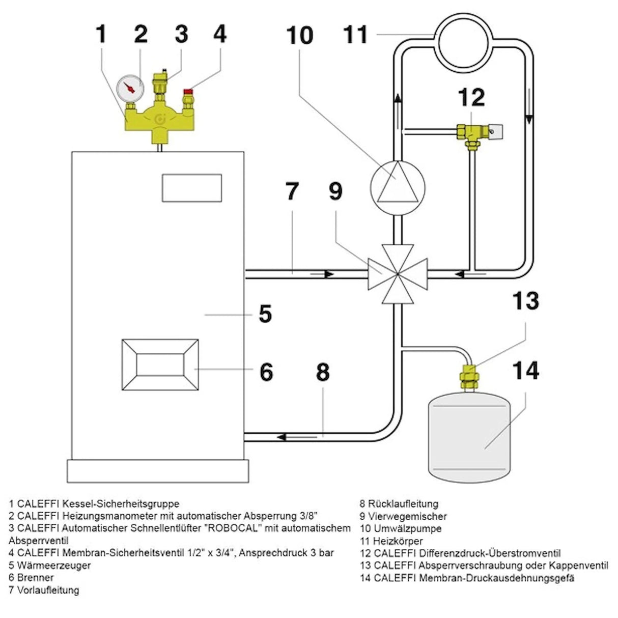
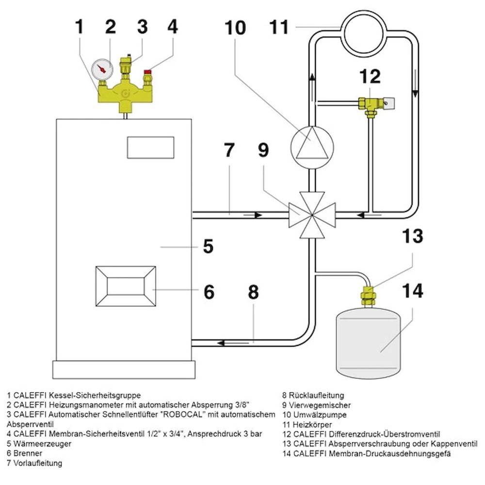
Katla drošības grupa 1" Kalefi

MPN: 302631

Pielietojuma jomas

Slēgtām apkures sistēmām saskaņā ar DIN 4751 līdz 50 kW vai 45 000 kcal/h jaudai

drošības vārsts 1" katliem - 3 bāri

Komplektā ar ātro ventilācijas vārstu, drošības vārstu un spiediena mērītāju.

Konsole izgatavota no masīva lieta misiņa MS58.
Pateicoties īpašajai formai, mazie gaisa burbuļi, kas atrodas apkures ūdenī, tiek piespiedu kārtā novirzīti uz automātisko Caleffi ātrās ventilācijas atveri.

Apakšējais savienojums ar 1" Iekšējā vītne savienojuma līnijai ar siltuma ģeneratoru.

Izolācijai paredzēts iepriekš sagatavots polistirola apvalks saskaņā ar DIN 4102-A1.

Piegādes apjoms:

  • Caleffi katlu drošības grupa 1"
  • Katlu grupas izolācija
  • Katla grupas spiediena mērītājs
  • Drošības vārsts katlu grupai

Tehniskie dati: Katla drošības grupa

  • Savienojuma iekšējā vītne 1"
  • Apkures spiediena mērītājs ¼"
  • Automātiskais noslēgvārsts 3/8"
  • Maksimālā darba temperatūra: 110°C
  • Drošības vārsts 3 bāri
  • Polistirola apvalka izolācija DIN 4102-A1
  • Var izmantot līdz 50 kW
  • Izmēri 19,4 x 17,6 x 7,2 cm

Drošības grupa, kas sastāv no:

Apkures spiediena mērītājs 3/8", Ø 63 mm, ar zaļu karodziņu un sarkanu iestatīšanas rādītāju, metāla korpuss. Automātiskais noslēgvārsts 3/8" 1x/4" nodrošina ērtu nomaiņu, neiztukšojot sistēmu.

CALEFFI "ROBOCAL" automātiskais gaisa vārsts ar automātisku noslēgvārstu; misiņa konstrukcija; augstas kvalitātes plastmasas pludiņš; uzticams vārsts. Savienojums 3/8" ar O veida gredzena blīvējumu.

CALEFFI membrānas drošības vārsts 1/2" x3/4", komponentu testēts; kompakts misiņa dizains; iestatītais spiediens 3 bar jaudai līdz 50 kW vai 45 000 kcal/h.

maksājums & Drošība

Norēķinu iespējas

  • American Express
  • Apple Pay
  • Bancontact
  • BLIK
  • EPS
  • Google Pay
  • iDEAL
  • Klarna
  • Maestro
  • Mastercard
  • MobilePay
  • PayPal
  • Przelewy24
  • Shop Pay
  • Union Pay
  • Visa

Jūsu maksājuma informācija tiek apstrādāta droši. Mēs neuzglabājam un nepiekļūstam jūsu kredītkartes informācijai.

Sazinieties ar mums

5
reviews
See all reviews