JavaScript is required to view this page.
Momentinis vandens šildytuvas MDC 230 plus – Efektyvus & Ekonomiškas | GEMA parduotuvė

Telefonas +49(0)39262 878720

El. paštas: gemashop@gema-net.de

„WhatsApp“: +49(0)17660429928

  • greitas pristatymas

  • Nemokama pagalba ir patarimai

  • Grąžinimas be rūpesčių

  • Atidaryta 7 dienas per savaitę

Anhaltinerring 17, 39439 Güsten

Dirba I-Kt 7-17 val.; penktadienį 7-16 val.; Šeštadienis 9-12 val

Gema GmbH  |  SKU: MDC230+EEHP15

Pėdsakas MDC 230 plius 1,5 kW šildymo elementas

Normali kaina 213,13 €
su PVM. Siunta bus apmokestinta atsiskaitymo metu.


Pristatymas ir siuntimas

Apdorojimo laikas paprastai yra 1 darbo diena. Siuntinių pristatymas trunka 1–3 darbo dienas. Krovinių gabenimo atveju pristatymas trunka 3–5 darbo dienas. Pristatymo laikas už Vokietijos ribų gali skirtis.

Beschreibung

Papildomo šildymo modulis/momentinis vandens šildytuvas MDC 230 plius 1,5 kW kaitinimo elementas – efektyvus šilumos palaikymas ir patikimas papildomo šildymo sprendimas

Produkto apžvalga

Pilnas paketas apjungia universalų MDC 230 pakartotinio šildymo modulį su galinga 1,5 kW šildymo kasete. Jis idealiai tinka kaip lankstus esamų šildymo sistemų papildymas ir patikimai tiekia papildomą šilumą, kai jos reikia.

Dėl greito montavimo, mažų erdvės reikalavimų ir tvirtos konstrukcijos ši sistema idealiai tinka naudoti naujuose pastatuose, modernizuojant ir trumpalaikių pagrindinio šilumos šaltinio gedimų atveju.

Naudojimo ir taikymo sritys

Pagalbinio šildymo modulis MDC 230 sklandžiai integruojamas į atvirus ir uždarus šildymo kontūrus ir gali būti naudojamas tiek nuolatiniam atsarginiam, tiek avariniam šildymui. Jis padeda efektyviai panaudoti perteklinę energiją, pavyzdžiui, iš fotovoltinių sistemų, šildymo poreikiams patenkinti.

Idealiai tinka naudoti savaitgalio ir atostogų namuose, sistema užtikrina nepertraukiamą šilumos tiekimą net ir atliekant katilų, kondensacinių katilų ar šilumos siurblių techninę priežiūrą ar gedimų atveju.

Techninės savybės ir įranga

Modulis turi izoliuotą korpusą, pagamintą iš neapdoroto plieno, su apsauginiu, pilku milteliniu būdu dažytu išoriniu apvalkalu. 50 mm storio poliuretano putų izoliacija užtikrina efektyvų įrenginio veikimą ir ilgaamžiškumą.

Įrengtas 1 1/2" Vidinis sriegis kaitinimo elementui suteikia lanksčias pritaikymo galimybes, o maksimali darbinė temperatūra siekia 90 °C, o darbinis slėgis – iki 10 barų, todėl užtikrinamas saugus naudojimas.

Našumo variantai ir minimalus srautas

Viso komplekto šildymo kasetė tiekiama skirtingų galios klasių, specialiai sukurtų 1,5 kW, 2,0 kW, 3,0 kW esant 230 V įtampai ir 4,5 kW, 6,0 kW bei 9,0 kW esant 400 V įtampai. Šie variantai leidžia optimaliai pritaikyti prie individualių šildymo sistemos energijos poreikių.

Minimalus srautas – 86 l/h esant 1,5 kW, 114 l/h esant 2,0 kW, 171 l/h esant 3,0 kW, 257 l/h esant 4,5 kW, 343 l/h esant 6,0 kW ir 514 l/h esant 9,0 kW – garantuoja efektyvų šilumos perdavimą ir sklandų veikimą net ir esant kintantiems šilumos poreikiams.

Privalumai ir pridėtinė vertė

Dėl mažų įsigijimo išlaidų ir paprasto montavimo sistema suteikia didelę pridėtinę vertę. Dėl kompaktiško dizaino ir tvirtos konstrukcijos ji ypač patraukli ankštoms montavimo erdvėms ir greitam diegimui.

Nesvarbu, ar tai būtų atsinaujinančios energijos sistemų papildymas, ar patikimas avarinis sprendimas, visas paketas pagerina energijos vartojimo efektyvumą ir tvariai didina gyvenimo komfortą.

Šildymo kasetė – efektyvus papildomas karšto vandens ir šildymo papildymas

3 kW kaitinimo kasetė specialiai sukurta naudoti buitinio ir geriamojo vandens kaupimo bakuose. Ji užtikrina tikslų temperatūros reguliavimą ir tokiu būdu užtikrina pastovų šilumos tiekimą tiek gyvenamosiose, tiek komercinėse patalpose.

Dėl aukštos kokybės nerūdijančio plieno ir tvirto plastiko pagaminimo, šildymo kasetė yra ne tik patvari, bet ir atspari korozijai bei aukštai temperatūrai.

Aukštos kokybės medžiagos ir saugumas

Nerūdijančio plieno konstrukcija ir „Alloy 825“ kaitinimo ritės naudojimas garantuoja aukščiausią medžiagų kokybę. Baltas plastikinis korpusas taip pat pabrėžia patrauklią gaminio išvaizdą.

Integruotas termostato korpusas leidžia tiksliai reguliuoti temperatūrą nuo 5 iki 75 °C, o apsauginis temperatūros ribotuvas ties 93 °C suteikia papildomą apsaugą nuo perkaitimo.

Lengvas montavimas ir patikima apsauga

Šildymo kasetę paprasta integruoti į esamas talpyklas dėl 1 1/2" Palaikoma išorinio sriegio jungtis ir kompaktiškas 300 mm montavimo ilgis. 1,5 metro ilgio prijungimo laidas taip pat užtikrina paprastą maitinimo tiekimą.

Be to, abu komponentai atitinka atitinkamus saugos standartus: pakartotinio šildymo modulis pasižymi IP44 apsaugos klase, o šildymo kasetė yra atspari vandens purslams pagal IPX4. Esant maksimaliam 10 barų darbiniam slėgiui, abu sprendimai idealiai tinka sudėtingoms operacijoms.

Išvada: aukščiausios kokybės efektyvi šiluma

Pilnas paketas, kurį sudaro MDC230 pakartotinio šildymo modulis ir 1,5 kW šildymo kasetė, sujungia universalias taikymo galimybes su moderniomis technologijomis ir paprastu naudojimu. Jis siūlo lanksčius šildymo sprendimus įvairioms reikmėms ir garantuoja patikimą pagalbą, kai to labiausiai reikia.

Dėl aukštos kokybės medžiagų, energiją taupančio veikimo ir paprasto montavimo ši sistema yra idealus sprendimas norint tvariai optimizuoti esamų šildymo sistemų komfortą ir funkcionalumą.

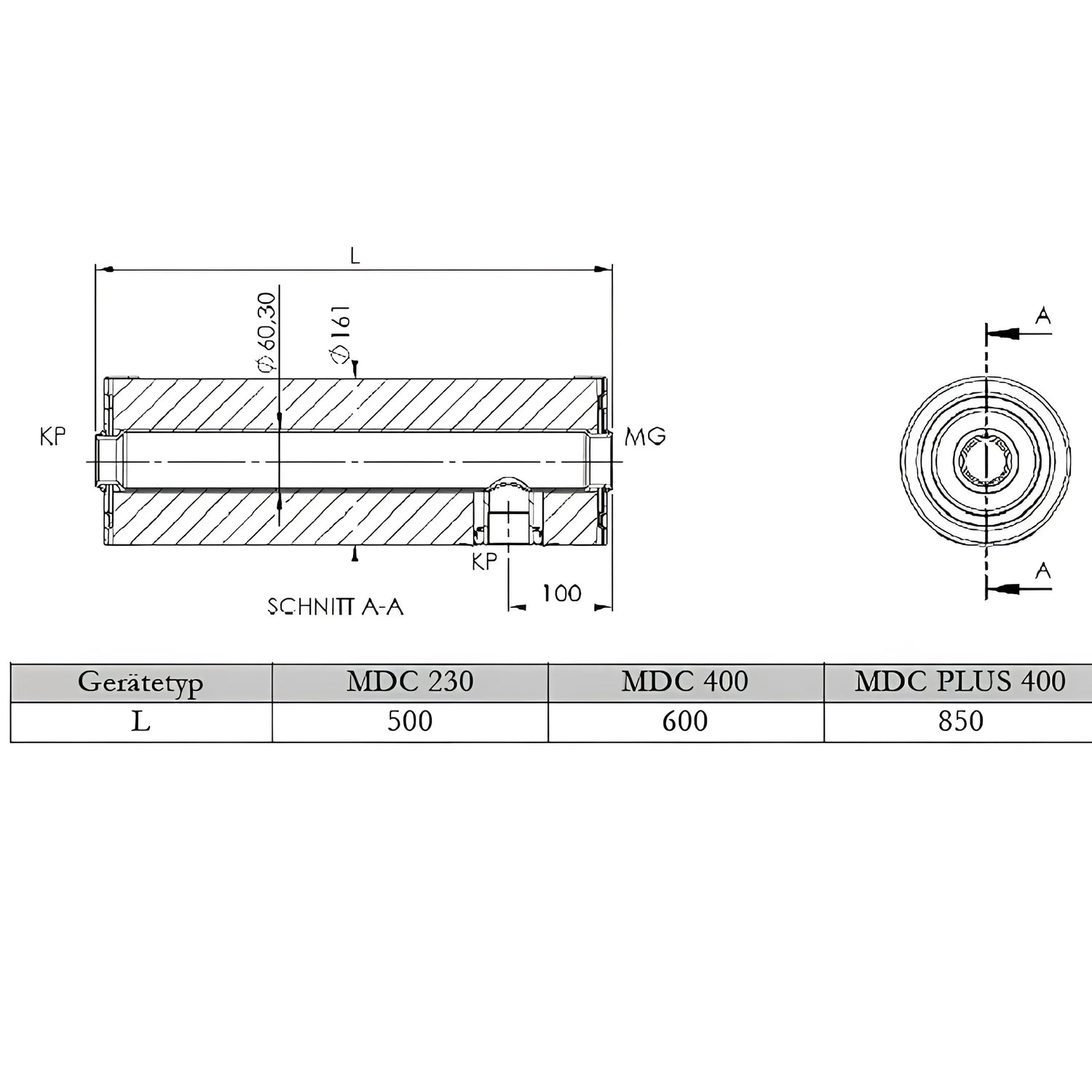
MDC modulio techniniai duomenys

  • Pajungimo tiekiamas ir grįžtamas vamzdžiai: 1 1/4" IG
  • Šildymo elemento jungtis: 1 1/2" IG
  • Maksimali leistina darbinė temperatūra: 90 °C
  • Maks. leistinas darbinis slėgis: 10 bar
  • Korpuso medžiaga: neapdorotas plienas viduje, milteliniu būdu dažytas išorėje
  • Korpuso izoliacija: 50 mm poliuretano putos
  • Išorinis apvalkalas: plastikas, spalva: pilka
  • Minimalus srautas: 1,5 kW/86 l/h
  • MDC230 moduliui tinkami kaitinimo elementai: 1,5 kW | 2,0 kW | 3,0 kW (230 V)
  • MDC modulio vidinis skersmuo: 60 mm
  • MDC230 matmenys (skersmuo x ilgis): 161 mm x 500 mm

Šildymo kasetės techniniai duomenys

  • Šildymo galia: 1,5 kW
  • Temperatūros reguliavimas: 5–75 °C
  • Įjungimo histerezė: 7–10 °C
  • Montavimo ilgis: 300 mm
  • Nešildomas ilgis: 70 mm
  • Saugos temperatūros ribotuvas: 93 °C
  • Jungtis: 1 1/2" išorinis sriegis
  • Apsaugos klasė: IPX4
  • Maks. darbinis slėgis: 10 barų
  • Išorinio apvalkalo medžiaga: plastikas, balta
  • Šildymo ritės medžiaga: 825 lydinys
  • Maitinimo šaltinis: vienfazis 230 V/16 A
  • Laido ilgis: 1,5 metro su kištuku

Pristatymo apimtis

  • MDC 230 modulis
  • Kaitinimo elementas 1,5 kW
  • Asamblėja &Naudojimo instrukcijos

Atsisiųsti

mokėjimas & Saugumas

Mokėjimo galimybės

  • American Express
  • Apple Pay
  • Bancontact
  • BLIK
  • EPS
  • Google Pay
  • iDEAL
  • Klarna
  • Maestro
  • Mastercard
  • MobilePay
  • PayPal
  • Przelewy24
  • Shop Pay
  • Union Pay
  • Visa

Jūsų mokėjimo informacija apdorojama saugiai. Mes nesaugome ir nepasiekiame jūsų kredito kortelės informacijos.

Klientų atsiliepimai

Būkite pirmas, parašęs atsiliepimą
0%
(0)
0%
(0)
0%
(0)
0%
(0)
0%
(0)

Susisiekite su mumis

reviews
See all reviews